中文
中文
英文
0519-86390308
首页
关于海星体育
产品检索
产品中心
汽车配件类滚针轴承
非标类滚针滚子轴承
实体套圈滚针滚子轴承
内圈
滚轮系列(滚针滚子类型)
冲压外圈滚针轴承
滚针和保持架组件
推力滚针滚子轴承
滚针&滚子
品质认证
联系我们
首页
产品
滚轮系列(滚针滚子类型)
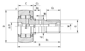
NUKR40
产品中心
汽车配件类滚针轴承
非标类滚针滚子轴承
实体套圈滚针滚子轴承
内圈
滚轮系列(滚针滚子类型)
冲压外圈滚针轴承
冲压外圈滚针轴承带保持架
冲压外圈满针滚针轴承
滚针和保持架组件
推力滚针滚子轴承
推力滚针轴承
滚针&滚子
NUKR40
外径:40mm 高度:58mm
0519-86390308
立即咨询
INA307P316**P0152
立即咨询
姓名
*
手机号
*
邮箱地址
输入您的内容
*
NUKR40
验证码
*
其它产品
STO15
内径:15mm 外径:35mm 高度:12mm
STO17
内径:17mm 外径:40mm 高度:16mm
STO30
内径:30mm 外径:62mm 高度:20mm
页面导航
首页
关于海星体育
产品检索
产品中心
品质认证
联系我们
产品分类
汽车配件类滚针轴承
非标类滚针滚子轴承
实体套圈滚针滚子轴承
内圈
滚轮系列(滚针滚子类型)
冲压外圈滚针轴承
滚针和保持架组件
联系我们
手机号:13961183126
电话:0519-86390308
邮箱:
fsg-bearing@126.com
地址:常州市武进牛塘镇工业园区东龙路18号
手机站
CopyRight 2019-2025 常州市海星体育有限公司
苏ICP备2021040283号-1
网站地图
所有标签
免责声明
常州网络公司
中环互联网设计制作
分享:
友情链接:
北京拉卡拉办理
硅烷偶联剂厂家
光伏线设备
无人机反制设备
交直流仪表检定装置
工业除湿机
信号隔离器
RFID读写器
高频板厂家
污水处理设备
快速接头厂家
成都风机厂
木方
特种螺钉
0519-86390308
fsg-bearing@126.com